Компания Gigabyte представила материнскую плату X870E Aero X3D Wood. Её главной особенностью является необычное дизайнерское исполнение. Крышка панели задних интерфейсов ввода/вывода новинки имеет декоративную отделку под дерево.


|
« Назад 15.11.2023 16:24 Материнская плата MSI MAG B760M Mortar WiFi — представитель среднебюджетной игровой серии MAG с примерной стоимостью около 20 тысяч рублей на момент публикации обзора. У этой модели 15 USB-портов, включая 4 USB 3.2 Gen2 и 1 USB 3.2 Gen2×2, 2 слота PCIe х16 (один получает от процессора 16 линий PCIe 5.0) и 1 слот PCIe x1, 2 слота M.2, 4 порта SATA и 6 разъемов для вентиляторов. Сетевые возможности включают проводной контроллер 2,5 Гбит/с и беспроводной Wi-Fi 6/Bluetooth 5.1.
Мы уже писали, что с выходом 13го поколения процессоров Intel появились и материнские платы на чипсетах 7хх серии. С выходом 14го поколения такие платы призваны обслуживать уже три поколения процессоров Intel (учитывая, что процессоры 14ххх серии являются просто технологическим обновлением 13ххх, компания Intel под них новые чипсеты не выпустила). Давайте снова глянем на основные отличия чипсетов B760, H770 и Z790.
Основные моменты и отличия B760:
Чипсет B760 от B660 отличается только перераспределением количества поддерживаемых линий PCIe: 10 линий версии 4.0 и 4 линии версии 3.0, когда как у B660, соответственно, 6 и 8. 12е, 13е и 14е поколения процессоров добавляют к этому набору еще 20 линий PCIe, при этом 16 линий (расходуемые на слоты PCIe x16) версии PCIe 5.0, оставшиеся 4 линии PCIe 4.0 идут на М.2 слот. Процессоры 12ххх/13ххх/14ххх умеют поддерживать как DDR5, так и DDR4, так что производители матплат вольны выпускать продукты как с DDR5, так и с DDR4 слотами. Теперь вернемся к герою нынешнего материала, а он произведен компанией MSI. Опытные пользователи знают, что у компании MSI имеется три основных сегмента игровых материнских плат: MEG, MPG и MAG. Герой нынешнего обзора — MSI MAG B760M Mortar WiFi. То есть материнка из семейства MAG (MSI Arsenal Gaming), которая относится к самой простой игровой серии (все флагманы — в семействе MEG), ну собственно, просто сам по себе чипсет B760 подразумевает, что материнка с ним как-то будет далека от топовой. Ну и вот сама матплата.
MSI MAG B760M Mortar WiFi поставляется в стандартной коробке фирменного серого дизайна серии MAG. Комплект размещен под платой в отдельном отсеке. Комплект поставки скромен, как и положено в линейке MAG: кроме традиционных элементов типа руководства пользователя и кабелей SATA, имеются антенны встроенного Wi-Fi-модуля, винтики для М.2 слотов, бонусные стикеры.
ПО не поставляется, впрочем за время путешествия платы к покупателю оно все равно успевает устареть, так что придется его обновлять с сайта производителя сразу после покупки. «Заглушка» на заднюю панель с разъемами уже смонтирована на самой плате. Форм-фактор
Форм-фактор Micro-ATX имеет размеры 244×244 мм, ATX до 305×244 мм, а E-ATX — до 305×330 мм. Материнская плата MSI MAG B760M Mortar WiFi выполнена в форм-факторе Micro-ATX, имеет размеры 244×244 мм, и на ней имеются 8 монтажных отверстий для установки в корпус.
Оборотная сторона — не пустая, там расположена некоторая логика. Текстолит обработан хорошо: во всех точках пайки острые концы срезаны. По традиции у всех плат от MSI на оборотной стороне обозначены места, где могут оставаться ненужные в данный момент крепежные втулки (чаще всего латунные), на которые обычно ложится матплата в корпусе, и к которым ее прикручивают. Эти места отмечены белой краской (в данном случае это одно такое место), и нарочно в них нет никаких электропроводных элементов, чтобы в случае установки матплаты не было случайных замыканий или повреждений от лишней крепежной втулки.
Технические характеристики
Традиционная таблица с перечнем функциональных особенностей.
Основная функциональность: чипсет, процессор, память
Схема работы связки чипсет+процессор.
Формально имеется поддержка памяти DDR5 до 4800 МГц, однако всем хорошо известно, и производители материнских плат это активно рекламируют: через XMP-профили сейчас можно использовать частоты до 8000 МГц. В частности данная плата поддерживает частоты до 7000 МГц. Процессоры Intel Core 12/13/14-го поколений (совместимые с сокетом LGA1700 и поддерживаемые B760) имеют 20 линий ввода-вывода (16 PCIe 5.0, 4 PCIe 4.0), не имеют USB и SATA портов. При этом взаимодействие с B760 идет по особому каналу Digital Media Interface 4.0 (DMI 4.0 x4 (именно х4!)). Все PCIe линии процессора идут на слоты расширения PCIe и порт М.2. Serial Peripheral Interface (SPI) используется для взаимодействия с системой UEFI/BIOS, а шина Low Pin Count (LPC) — для связи с устройствами ввода/вывода, не требующими высокой пропускной способности (контроллерами вентиляторов, TPM, старой периферии). В свою очередь чипсет B760 поддерживает в сумме 24 линий ввода/вывода, которые распределяться могут так:
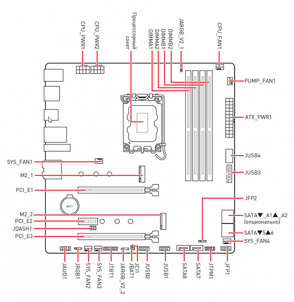
MSI MAG B760M Mortar WiFi поддерживает процессоры Intel Core 12/13/14-го поколений, выполненные под разъем (сокет) LGA1700.
Для установки модулей памяти на плате MSI имеется четыре DIMM-слота (для работы памяти в Dual Channel в случае использования всего 2 модулей их следует устанавливать в А2 и B2. Плата поддерживает небуферизованную память DDR5 (non-EСС), а максимальный объем памяти составляет 192 ГБ. Разумеется, поддерживаются профили XMP.
Слоты DIMM не имеют металлической окантовки, защищающую их как от физических повреждений, как и от помех. Периферийная функциональность: PCIe, SATA, разные «фенечки»
Выше мы изучили потенциальные возможности тандема B760+Core, а теперь посмотрим, что из этого и как реализовано в данной материнской плате. Кроме USB-портов, к которым мы подойдем позже, чипсет B760 обладает 14 PCIe линиями и 4 портами SATA. Считаем, сколько линий уходит на поддержку (связь) с тем или иным элементом (надо учитывать, что 14 линий не единой версии, а 10 линий PCIe 4.0 и 4 линии PCIe 3.0) :
12 линий PCIe оказались занятыми (10 PCIe 4.0 + 2 PCIe 3.0) плюс порты SATA_5/6/7. Связь с аудиокодеками уровня Realtek RTL408x идет через USB 2.0, а с кодеками уровня RTL1220 и ниже – через HDA (эмуляцию шины PCI), так что в данном случае линия USB 2.0 не расходуется. Но один USB 2.0 расходуется на поддержку BT (при наличии слота M.2 (key E), а также контроллер GL850G для своих нужд использует сигнальные линии USB 2.0 Детально об этом ниже в разделе USB-портов. Теперь посмотрим выше на то, как работают процессоры в данной конфигурации. У CPU 12/13/14-го поколений всего 20 линий PCIe, 4 из них версии PCIe 4.0 отведены на порт М.2 (M2_1). Оставшиеся 16 линий PCIe 5.0 идут на единственный слот PCIe x16_1, поэтому вариантов переключений нет, как и мультиплексоров для этих целей. Теперь в целом про слоты PCIe.
Всего на плате есть 3 слота: один полноценный PCIe x16 (для видеокарт или других устройств) и один PCIe x16 (но фактически имеющий 4 линии), а также короткий PCIe x1. Верхний слот PCIe x16 имеет металлическое армирование из нержавеющей стали, которое увеличивает их надежность (что может быть важным в случае довольно частой смены видеокарт, но что более важно: такой слот легче выдержит нагрузку на изгиб в случае установки очень тяжелой видеокарты топового уровня. Кроме того, такая защита предохраняет слоты от электромагнитных помех.
Матплата позволяет смонтировать СО любого размера. На очереди — накопители.
Всего у платы 4 разъема Serial ATA 6 Гбит/с + 2 слота для накопителей в форм-факторе M.2.
Порты SATA странно промаркированы, начиная с 5 ( 5, 6, 7, 8), все реализованы через чипсет B760 и поддерживают создание RAID. При этом порт SATA 8 делит ресурсы с портом М.2_2.
Стоит обратить внимание на то, что порты SATA сгруппированы в два расположения: 2 порта (горизонтально ориентированы) на правом конце платы, и 2 порта (вертикально ориентированы) – на нижнем конце платы. Материнская плата имеет 2 гнезда форм-фактора М.2.
Второй M.2_2 получает данные от чипсета B760, поддерживая PCIe 4.0, при этом модули с SATA интерфейсом также поддерживаются. Первый M.2_1 получает данные от CPU (PCIe 4.0) и работает с модулями только с PCIe интерфейсом. Оба слота поддерживают размеры модулей 2242/2260/2280. На всех M.2 можно организовать RAID. Слот М.2_2 делит ресурсы с портом SATA 8: при использовании в М.2_2 накопителя с SATA интерфейсом порт SATA 8 отключен. Для реализации этого переключения имеется мультиплексор ASM2480 от ASMedia.
Только M.2_1 слот имеет радиатор.
Периферийная функциональность: USB-порты, сетевые интерфейсы, ввод-выводТеперь на очереди USB-порты и прочие вводы-выводы. И начнем с задней панели, куда выведены большинство из них.
Повторим: чипсет B760 способен реализовать не более 12 портов USB, из которых может быть до 6 портов USB 3.2 Gen1, до 4 портов USB 3.2 Gen2, до 2 портов USB 3.2 Gen2x2, и/или до 12 портов USB 2.0. Также мы помним и про 12 линий PCIe (+ 3 SATA), которые идут на поддержку накопителей, сетевых и иных контроллеров (я выше уже показал на что и как расходуются 15 линий из 18). И что мы имеем? Всего на материнской плате — 15 портов USB:
Таким образом, у нас 2 контроллера используют USB линии:
Итак, через чипсет B760 реализовано высокоскоростных портов USB:
= 5 высокоскоростных портов. Не забываем, что каждый высокоскоростной порт USB обеспечен портом USB 2.0, то есть уже 5 портов USB 2.0 также занято. Плюс 4 выделенных порта USB 2.0 и 2 порта на обеспечение контроллеров. Всего 11 USB портов реализовано. Ну и 15 HSIO (линий PCIe и портов SATA), выделенных на поддержку иной периферии. Итого у B760 в данном случае реализован 20 высокоскоростных портов из 24. Все быстрые USB порты Type-C оснащены ре-драйверами от ASMedia.
Теперь о сетевых делах.
Материнская плата оснащена средствами связи хорошо. Имеется скоростной Ethernet-контроллер Realtek RTL8125BG, способный работать по стандарту 2,5 Гбит/с.
Имеется и комплексный беспроводной адаптер на контроллере Intel AX-211NGW, через который реализованы Wi-Fi 6 (802.11a/b/g/n/ac/ax) и Bluetooth 5.2. Он установлен в слот M.2 (E-key), и его разъемы для привинчивания выносных антенн выведены на заднюю панель.
Заглушка, традиционно надеваемая на заднюю панель, в данном случае уже надета, и изнутри экранирована для снижения электромагнитных помех.
АудиоподсистемаМного лет в большинстве современных материнских платах звуком заведуют аудиокодеки от Realtek семейства ALC, и долгое время это был ALC1220. Он обеспечивает вывод звука по схемам до 7.1 с разрешением до 24 бит / 192 кГц. В данном случае используется более старый и простой вариант ALC897.
В аудиоцепях платы применяются «аудиофильские» конденсаторы Nichicon Fine Gold.
Аудиотракт вынесен на угловую часть платы, не пересекается с другими элементами. Все аудиоразъемы на задней панели не имеют привычной цветовой окраски разъемов, поэтому ориентироваться можно только по обозначениям.
Питание, охлаждениеДля питания платы на ней предусмотрены 3 разъема: в дополнение к 24-контактному ATX (он на правой стороне платы (на фото — слева) здесь есть еще два 8-контактных EPS12V.
Схема питания процессора выполнена по схеме 12+1+1 (всего 14 фаз, 12 на VCore, 1 на iGPU и 1 на VCCSA).
Каждый канал фазы имеет суперферритовый дроссель и RAA 220075R0 MOSFET от Renesas на 75 А для VCore и встроенного графического ядра и MP87670 от Monolithic Power Systems для VCCIO на 70А.
Управляет схемой питания VCore и iGPU ШИМ-контроллер RAA229132 от того же Renesas, рассчитанный максимум на 20 фаз.
Так что мы видим, что схема питания полноценно прямая без удвоителей или параллельных потоков. А для одной фазы VCCIO имеется свой ШИМ-контроллер от Monolithic Power Systems.
Питание VCCSA имеет однофазную схему. Теперь про охлаждение.
Все потенциально сильно греющиеся элементы имеют свои собственные радиаторы.
Как мы видим, охлаждение чипсета (один радиатор) организовано отдельно от силовых преобразователей. VRM-секция имеет свои два раздельных радиатора.
Как я уже упоминал ранее, только один M.2_1 слот имеет свой радиатор.
Работоспособность (и разгон)Запускаем все в режиме по умолчанию. Затем нагружаем стресс-тестом OCCT (настройки по умолчанию).
В режиме авторазгона мы получили 5,4 ГГц по P-ядрам, и 4,3 ГГц по всем Е-ядрам. Напомню, что Р-ядра — это обычные всем привычные ядра, имеющие по 2 потока каждый, «Р» — означает Performance, то есть производительные. «Е» — это энергоэффективные ядра, так называемые, малые ядра, у них по 1 потоку. Скажу, что авторазгон весьма высокий, оно и логично: ведь система по умолчанию определяет возможности питания матплаты, а в данном случае система питания приличного уровня, несмотря на то, что подобные материнские платы явно не для самых топовых и требовательных процессоров, к которым относится Core i9-13900K. Что касается остальных параметров работы компонентов по нагреву, то все они были в норме.. Учитывая, что данный продукт не рассчитан на оверклокинг, я дальше экспериментировать не стал, ведь и такой авторазгон для данной материнки не на топовом чипсете очень хорош!
ВыводыМатеринская плата MSI MAG B760M Mortar WiFi — представитель среднебюджетной игровой серии MAG с примерной стоимостью около 20 тысяч рублей на момент публикации обзора. Это дороговато для модели на B760, на рынке уже имеются платы на базе Z790 с примерно такой же ценой. Данная модель создана для геймеров, но, разумеется, подойдет и всем остальным. Несмотря на бюджетный и относительно простой чипсет B760, плата прекрасно работает даже с топовыми процессорами Intel Core 13-го поколения. У нее 15 USB-портов, включая 4 очень быстрых USB 3.2 Gen2, а также один самый быстрый USB 3.2 Gen2×2 в виде порта Type-C на задней панели. Есть 2 слота PCIe х16, один из которых получает от процессора 16 линий PCIe версии 5.0, а второй работает в режиме х4. Имеется и слот PCIe x1. Также у платы 2 слота M.2: один из них подключен к процессору, другой — к чипсету B760, в обоих случаях линиями PCIe 4.0. Еще у этой модели 4 порта SATA и 6 разъемов для вентиляторов. Хотя плата относится к относительно простой серии MAG, система питания процессора у нее очень мощная, она способна обеспечить работу любых совместимых процессоров с запасом на разгон. Также мы видим грамотную систему охлаждения каждого потенциально греющегося элемента, кроме накопителя в одном слоте M.2. Сетевые возможности хорошие: быстрый проводной контроллер 2,5 Гбит/с, а также один современный беспроводной. В числе плюсов платы можно упомянуть широкие возможности для подключения дополнительных ARGB/RGB-устройств подсветки. Эта модель достойна внимания простых, нетребовательных геймеров. ![]()
Источник IXBT |
Компания Gigabyte представила материнскую плату X870E Aero X3D Wood. Её главной особенностью является необычное дизайнерское исполнение. Крышка панели задних интерфейсов ввода/вывода новинки имеет декоративную отделку под дерево.

Исторически компания Intel распределяла операции по тестированию и упаковке своих процессоров между Филиппинами, Малайзией, Китаем и Коста-Рикой, но в 2008 году прекратила профильную деятельность в первой из стран, а также делала перерыв в работе своего профильного предприятия в Коста-Рике. В Малайзии она теперь готова расширить имеющуюся базу, направив на это $208 млн дополнительных инвестиций.
