Топ-менеджер японской компании Kioxia, которая является одним из крупнейших в мире производителей памяти NAND, заявил, что эпоха недорогих твердотельных накопителей ушла в прошлое. Компания уже распродала всю память, которую выпустит до 2027 года.


|
« Назад 08.11.2023 10:28 сю детальную информацию о новом семействе процессоров 13-го поколения Intel (на примере i9-13900K) можно найти в материале от Алексея Берилло. А мы продолжаем знакомиться с материнскими платами последних поколений, в частности, сейчас мы изучим очередной продукт на базе Intel Z790. Он интересен прежде всего тем, что, несмотря на относится к топовому суббренду Aorus, не является флагманским и очень дорогим, ну и еще тем, что имеет поддержку WiFi 7. Материнская плата выпущена в качестве поддержки следующего поколения процессоров Intel, однако этот факт не играет никакой роли: выходящее поколение Core полностью совместимо с ранее выпущенными матплатами на базе Intel Z690/790, потребуется лишь обновить BIOS. Чипсет Z790 получил 38 высокоскоростных портов (High Speed In Out, HSIO), также мы видим поддержку до 5х интегрированных USB 3.2 Gen2x2 (до 20 Gb/s) портов (правда каждый из них требует поддержки со стороны двух USB 3.2 Gen2, неважно, от самого Z790 или сторонних хабов). Мы знаем, что 12е и 13е поколения процессоров имеет поддержку PCIe 5.0 в виде 16 линий (расходуемые на слоты PCIe x16), плюс 4 линии PCIe 4.0, идущие на М.2 слот, получающий данные непосредственно от процессора. По поводу памяти : 13е поколение (как и 12е) процессоров может работать как с DDR5, так и с DDR4. Следующее поколение процессоров Intel в этом плане ничем не отличается от вышеупомянутых. Переходим к герою нынешнего материала – материнской плате Gigabyte Z790 Aorus Elite X WiFi7.
Gigabyte Z790 Aorus Elite X WiFi7 поставляется в стандартной коробке с фирменным дизайном. Комплект размещен под платой в отдельном отсеке. Комплект поставки очень скромен: кроме традиционных элементов типа руководства пользователя и кабелей SATA, имеются: антенна встроенного Wi-Fi-модуля, запасная термопрокладка для слота М.2 и G-коннектор, упрощающий подключение проводов управления от корпуса к матплате.
ПО не поставляется (все равно последние версии надо скачивать с вебсайта производителя). «Заглушка» на заднюю панель с разъемами уже смонтирована на самой плате. Форм-фактор
Форм-фактор ATX имеет размеры до 305×244 мм, а E-ATX — до 305×330 мм. Материнская плата Gigabyte Z790 Aorus Elite X WiFi7 имеет размеры 305×244 мм, поэтому выполнена в форм-факторе ATX, и на ней имеются 9 монтажных отверстий для установки в корпус.
На оборотной стороне практически ничего нет (кроме крепления процессорного разъема и усиленного крепежа слота PCIe x16). Текстолит обработан хорошо: во всех точках пайки не только острые концы срезаны, но и все неплохо отшлифовано. Бэкплейта нет. Технические характеристики
Традиционная таблица с перечнем функциональных особенностей.
Основная функциональность: чипсет, процессор, память
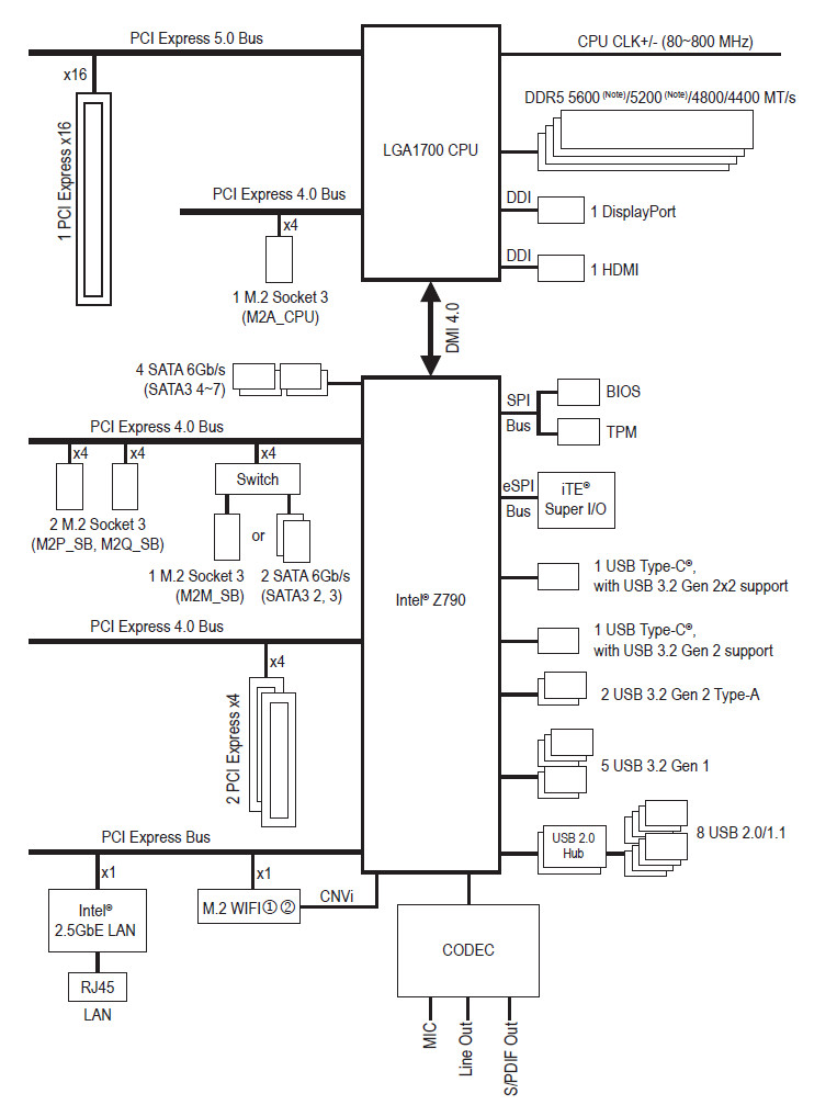
Схема работы связки чипсет+процессор.
Формально имеется поддержка памяти DDR5 до 5600 МГц, однако всем хорошо известно, и производители материнских плат это активно рекламируют: через XMP-профили сейчас можно использовать частоты до 7000 и выше МГц. В частности данная плата поддерживает частоты до 7600 МГц. Процессоры Intel Core, совместимые с сокетом LGA1700 и поддерживаемые Z790, имеют 20 линий ввода-вывода (16 PCIe 5.0, 4 PCIe 4.0), не имеют USB и SATA портов. При этом взаимодействие с Z790 идет по особому каналу Digital Media Interface 4.0 (DMI 4.0 x8). Все PCIe линии процессора идут на слоты расширения PCIe и порт М.2. Serial Peripheral Interface (SPI) используется для взаимодействия с системой UEFI/BIOS, а шина Low Pin Count (LPC) — для связи с устройствами ввода/вывода, не требующими высокой пропускной способности (контроллерами вентиляторов, TPM, старой периферии). В свою очередь чипсет Z790 поддерживает в сумме 38 линий ввода/вывода, которые распределяться могут так:
Еще раз надо напомнить, что Gigabyte Z790 Aorus Elite X WiFi7 поддерживает процессоры Intel Core 12/13-го и следующего поколений, выполненные под разъем (сокет) LGA1700.
Для установки модулей памяти на плате Gigabyte имеется четыре DIMM-слота (для работы памяти в Dual Channel в случае использования всего 2 модулей их следует устанавливать в А2 и B2. Плата поддерживает небуферизованную память DDR5 (non-EСС), а максимальный объем памяти составляет 192 ГБ.
Слоты DIMM не имеют металлической окантовки, препятствующей деформации слотов и печатной платы при установке модулей памяти, однако при этом проводники к ОЗУ тщательно экранированы и защищены от электромагнитных помех.
Периферийная функциональность: PCIe, SATA, разные «фенечки»
Выше мы изучили потенциальные возможности тандема Z790+Core, а теперь посмотрим, что из этого и как реализовано в данной материнской плате.
Кроме USB-портов, к которым мы подойдем позже, чипсет Z790 обладает 28 PCIe линиями. Считаем, сколько линий уходит на поддержку (связь) с тем или иным элементом (надо учитывать, что 28 линий не единой версии, а 20 линий PCIe 4.0 и 8 линий PCIe 3.0):
26 линий PCIe оказались занятыми (20 PCIe 4.0 + 6 PCIe 3.0). Связь с аудиокодеками уровня Realtek RTL408x идет через USB 2.0, а с кодеками уровня RTL1220 и ниже – через HDA (эмуляцию шины PCI), так что в данном случае линия USB 2.0 не расходуется. Но один USB 2.0 расходуется на поддержку BT, а также 2 контроллера GL850G для своих нужд используют сигнальные линии USB 2.0 Детально об этом ниже в разделе USB-портов. Теперь посмотрим выше на то, как работают процессоры в данной конфигурации. У CPU всего 20 линий PCIe, 4 из них версии PCIe 4.0 отведены на порт М.2 (M2A_CPU). Оставшиеся 16 линий PCIe 5.0 идут на слот PCIe x16_1. Теперь в целом про слоты PCIe.
Всего на плате есть 3 слота: один PCIe x16_1 (для видеокарт или других устройств) и два PCIe x16_2/3 (но фактически имеющие по 4 линии PCIe 4.0 соответственно). Как видим, перераспределений линий PCIe 5.0 нет, поэтому и мультиплексоров PCIe 5.0 нет. Выше я вел речь про первый PCIe x16_1, подключенный к процессору. Остальные два PCIe x16 подключены к Z790, и, несмотря на их форм-фактор, работают в режимах x4. Первый слот PCIe x16 имеет особое армирование. «Латы» у слота из цинкового сплава (эффективная защита от электромагнитных помех), используются резиновые вставки для предохранения видеокарт от царапин, все это закреплено с помощью жесткой металлической вставки на оборотной стороне платы.
Для удобного извлечения видеокарт из слота имеется специальный удлиненный «хвостик» на замке PCIe x16_1, ведь подчас неудобно дотягиваться до обычного «хвоста» слота, где требуется нажать на защелку для разблокирования карты в слоте: ведь как правило, выше первого слота PCIe имеется M.2 слот с высоким радиатором, и до защелки даже пальцем не дотянуться. Матплата позволяет смонтировать СО любого размера. Плата относится к среднебюджетным решениям, поэтому нет ни внешнего тактового генератора, ни усилителей (ре-драйверов) сигнала PCIe 4.0/5.0. На очереди — накопители.
Всего у платы 6 разъемов Serial ATA 6 Гбит/с + 4 слота для накопителей в форм-факторе M.2. Все порты SATA 2,3,4,5,6,7 реализованы через чипсет Z790 и поддерживают создание RAID.
При этом 2 порта SATA 2/3 делят ресурсы с одним из слотов М.2, так что перейдем к последним. Материнская плата имеет 4 гнезда форм-фактора М.2.
Второй, третий и четвертый слоты M.2 (M2Q_SB, M2P_SB, M2M_SB) получают данные от чипсета Z790, а первый M2A_CPU — от CPU, получая от процессора PCIe 4.0. И только М2M_SB поддерживает модули с любым интерфейсом, а все остальные работают с модулями только с PCIe интерфейсом. Слот M2M_SB делит ресурсы с двумя портами SATA: 2 и 3. Для этой цели на материнке установлен мультиплексор от Diodes Inc.
Все слоты M.2 поддерживают модули с размерами 2280 и 22110. А M2A_CPU имеет крепления и для модулей с размерами 2242/2260.
На всех M.2 можно организовать RAID. Следует особо отметить способ крепления накопителей М.2 в слотах через установленные на стойках поворотные замки, что позволяет обойтись без тех самых очень маленьких винтиков.
Все M.2 слоты имеют радиаторы. Верхний M2A_CPU обладает отдельным радиатором (он очень удобно сделан – на защелках, не требуются винты), когда как остальные все слоты M.2 имеют общий радиатор.
Периферийная функциональность: USB-порты, сетевые интерфейсы, ввод-выводТеперь на очереди USB-порты и прочие вводы-выводы. И начнем с задней панели, куда выведены большинство из них.
Повторим: чипсет Z790 способен реализовать не более 14 портов USB, из которых может быть до 10 портов USB 3.2 Gen1, до 10 портов USB 3.2 Gen2, до 5 портов USB 3.2 Gen2x2, и/или до 14 портов USB 2.0. Также мы помним и про 28 линий PCIe, которые идут на поддержку накопителей, сетевых и иных контроллеров (я выше уже показал на что и как расходуются 26 линий из 28). И что мы имеем? Всего на материнской плате — 17 портов USB:
Таким образом, у нас 3 контроллера используют USB линии от Z790:
Итак, через чипсет Z790 реализовано высокоскоростных портов USB:
= 10 высокоскоростных портов. Не забываем, что каждый высокоскоростной порт USB обеспечен портом USB 2.0, то есть уже 10 портов USB 2.0 также занято. Плюс 3 порта USB 2.0 на обеспечение контроллеров. Всего 13 USB портов реализовано. Ну и 26 линий PCIe, выделенных на поддержку иной периферии. Итого у Z790 в данном случае реализовано 36 высокоскоростных портов из 38. Все быстрые USB порты Type-C оснащены ре-драйверами, дающими устойчивый вольтаж, способный обеспечить быструю зарядку мобильных гаджетов через них.
Теперь о сетевых делах.
Материнская плата оснащена средствами связи очень хорошо. Имеется скоростной Ethernet-контроллер Intel i225-V, способный работать по стандарту 2,5 Гбит/с.
И впервые мы видим комплексный беспроводной адаптер на контроллере MediaTek MT7927, через который реализованы Wi-Fi 7 (802.11a/b/g/n/ac/ax/be) и Bluetooth 5.3, поддерживается режим WiFi 802.11be 320 МГц. Адаптер установлен в слот M.2 (E-key), и его разъемы для привинчивания выносных антенн выведены на заднюю панель. Наличие такого новейшего контроллера является основной «изюминкой» данной материнской платы.
Заглушка, традиционно надеваемая на заднюю панель, в данном случае уже надета, и изнутри экранирована для снижения электромагнитных помех.
АудиоподсистемаМы знаем, что уже достаточно давно в большинстве современных материнских платах звуком заведовал аудиокодек Realtek ALC1220. В целом обеспечивает вывод звука по схемам до 7.1 с разрешением до 24 бит / 192 кГц. Мы видели уже и ALC4082 того же производителя с улучшенными характеристиками 32 бит / 384 кГц. Однако в данном случае мы видим возврат к прежнему ALC1220, а также схема вывода упрощена до 5.1. Сам чип накрыт металлической крышкой.
В аудиоцепях платы применяются «аудиофильские» конденсаторы.
Аудиотракт вынесен на угловую часть платы, не пересекается с другими элементами. У карты два универсальных разъема с позолоченным покрытием по приему и выводу сигналов плюс оптический S/PDIF. Вывод по схеме 5.1 возможен только через S/PDIF (аналоговая схема упрощена до стерео). Питание, охлаждениеДля питания платы на ней предусмотрены 3 разъема: в дополнение к 24-контактному ATX (он на правой стороне платы (на фото — слева) здесь есть еще два 8-контактных EPS12V.
Схема питания процессора выполнена по схеме 16+2+1 (всего 19 фаз, 16 на VCore, 2 на VCCIO и 1 на интегрированное графическое ядро).
Каждый канал фазы VCore имеет суперферритовый дроссель и DrMOS ISL99390 (90 A) от Renesas.
Фаза iGPU укомплектована сборкой Renesas ISL99360 (60 A).
Управляет схемой ШИМ-контроллер RAA229130 от Renesas, он рассчитан максимум на 20 фаз. Почему на сайте производителя указано, что фазы VCore работают по схеме 8+8 (то есть идет параллельное управление 2х фаз одновременно) – непонятно. Данного ШИМ-контроллера вполне достаточно для полного охвата прямой схемы питания VCore+iGPU.
Блок VCCIO имеет свою двухфазную схему питания (с мосфетами Om Semi, до 60 А), управляемую ШИМ-контроллером MP2940A (Monolithic Power Systems).
Теперь про охлаждение.
Все потенциально сильно греющиеся элементы имеют свои собственные радиаторы.
Как мы видим, охлаждение чипсета (один радиатор) организовано отдельно от силовых преобразователей. VRM-секция имеет свои два радиатора, соединенные тепловой трубкой под прямым углом.
Как я уже упоминал ранее, M.2 слоты также имеют радиаторы: у верхнего — свой персональный радиатор, у остальных — общий. Материнская плата не имеет бэкплейта, защитной пластины на оборотной стороне. Работоспособность (и разгон)Запускаем все в режиме по умолчанию (MCE находится в автоматическом режиме). Затем нагружаем тестами.
В режиме авторазгона мы получили от 5 до 5,5 ГГц по P-ядрам, и 4.3 ГГц по всем Е-ядрам. Напомню, что Р-ядра — это обычные всем привычные ядра, имеющие по 2 потока каждый, «Р» — означает Performance, то есть производительные. «Е» — это энергоэффективные ядра, так называемые, малые ядра, у них по 1 потоку. Как обычно, система по умолчанию, определив мощное питание матплаты, выставила приличные частоты, однако флагманские платы могли устанавливать по умолчанию и 5,5 ГГц по всем P-ядрам. Что касается остальных параметров работы компонентов по нагреву, то все они были в норме. Потребление CPU переваливало за 209 Вт. Стоит обратить внимание на то, что данная матплата поддерживает работу DDR5 до частот 8266 МГц, что по сути пока является неким рекордом (ну и требуется процессор следующего поколения с улучшенным контроллером памяти). Также в BIOS имеется DDR5 XMP Booster – эта утилита анализирует микросхемы памяти, установленные в модулях, имея определенную базу данных, обновляемую с каждой новой версией BIOS и выставляет повышенные частоты работы для легкого роста производительности (в дальнейшем планируется привлекать нейронные сети ИИ для создания подобного авторазгона).
ВыводыМатеринская плата Gigabyte Z790 Aorus Elite X WiFi7 основана на топовом чипсете Intel Z790 и относится к топовому суббренду, но при этом не экстремально дорогая (ожидаемая стоимость — от 30 тысяч рублей). У нее 17 портов USB разных видов, включая 3 очень быстрых USB 3.2 Gen2, а также один USB 3.2 Gen2×2 в виде порта Type-C; 3 слота PCIe х16, один из которых получает от процессора 16 линий PCIe версии 5.0, а два других работают в режиме x4 (подключены к Z790); а также 4 слота M.2 — один подключен напрямую к процессору линиями PCIe 4.0, три других подключены к чипсету также линиями PCIe 4.0 (последний делит ресурсы с двумя портами SATA). В арсенале платы есть 6 портов SATA и 6 разъемов для вентиляторов. Система питания процессора достаточно мощная, способная обеспечить работу любых совместимых процессоров с некоторым запасом на разгон. Плата имеет грамотную систему охлаждения каждого потенциально греющегося элемента, включая накопители в слотах M.2. Сетевые возможности включают быстрый проводной контроллер 2,5 Гбит/с и самый современный беспроводной (Wi-Fi 7 + Bluetooth 5.3). В числе плюсов платы можно упомянуть возможности для подключения подсветки в виде дополнительных ARGB/RGB-устройств. ![]()
Источник IXBT |
Топ-менеджер японской компании Kioxia, которая является одним из крупнейших в мире производителей памяти NAND, заявил, что эпоха недорогих твердотельных накопителей ушла в прошлое. Компания уже распродала всю память, которую выпустит до 2027 года.

Компания AMD определилась с датой начала продаж новейшего игрового процессора Ryzen 7 9850X3D. На полках магазинов чип станет доступен с 29 января. Днём ранее появятся первые независимые обзоры процессора, сообщает VideoCardz.
