Главная \ Статьи \ Материнская плата Asus ROG Maximus Z790 Formula на чипсете Intel Z790: белое оформление, жидкостное охлаждение области VRM, топовые возможности расширения, очень высокая стоимость

Материнская плата Asus ROG Maximus Z790 Formula на чипсете Intel Z790: белое оформление, жидкостное охлаждение области VRM, топовые возможности расширения, очень высокая стоимость

« Назад

22.03.2024 07:13

А мы занимается дальнейшим изучением материнских плат на базе Intel Z790, которые попадают на наш рынок. Напомню, что чипсет  Z790 имеет 38 высокоскоростных портов (High Speed In Out, HSIO), до 5х интегрированных USB 3.2 Gen2x2 (до 20 Gb/s) портов (правда каждый из них требует поддержки со стороны двух USB 3.2 Gen2, неважно, от самого Z790 или сторонних хабов).

В свою очередь 12е/13е/14е поколения процессоров имеют поддержку PCIe 5.0 в виде 16 линий (расходуемые на слоты PCIe x16), плюс 4 линии PCIe 4.0, идущие на М.2 слот, получающий данные непосредственно от процессора. По поводу памяти: все эти поколения процессоров могут работать как с DDR5, так и с DDR4.

 

Переходим к самой материнской плате Asus ROG Maximus Z790 Formula, которая относится к топовому суббренду ROG, поэтому перед нами один из флагманов, при этом мы знаем, что платы серии Formula характеризуются системой охлаждения в белых тонах, при этом в области преобразования питания VRM используется комбинированная СО (возможно обычное пассивное, а также жидкостное охлаждение).

 

Asus ROG Maximus Z790 Formula поставляется в традиционной толстой коробке фирменного серо-белого дизайна серии ROG Formula. Комплект размещен под платой в отдельном отсеке.

Комплект поставки соответствует флагманскому продукту: кроме традиционных элементов типа руководства пользователя и кабелей SATA, имеются антенна встроенного Wi-Fi-модуля, запасные стойки с поворотниками для М.2 слотов, разветвитель для подключения подсветок, фирменный адаптер для передней панели, бонусные стикеры, накопитель типа «флешки», брелок, подставка (холдер) для дополнительного вентилятора и членская карточка клуба ROG.

 

В коробке можно найти вот такого рода деталь. Это подставка под дополнительный вентилятор для охлаждения модулей памяти (вентилятор в комплект не входит). Схема установки проста:

 
 

ПО найдено на поставляемом с платой flash-накопителе.

 

Но по-любому требуются последние версии драйверов и программ, так что их надо скачивать с вебсайта компании.

Антенна для встроенного беспроводного сетевого модуля отличается от предыдущих, ибо на концах проводов имеет не закручивающиеся шайбы, как ранее, а просто вставляемые штекеры (пластиковые держатели надежно их крепят).

 

«Заглушка» на заднюю панель с разъемами уже смонтирована на самой плате.

Форм-фактор

 
 

Форм-фактор ATX имеет размеры до 305×244 мм, а E-ATX — до 305×330 мм. Материнская плата Asus ROG Maximus Z790 Formula имеет размеры 305×244 мм, поэтому выполнена в форм-факторе ATX, и на ней имеются 9 монтажных отверстий для установки в корпус. Однако следует иметь в виду, что одно из девяти монтажных отверстий перекрыто радиатором для слота M.2.

 
 

На оборотной стороне расположено несколько контроллеров и традиционная некоторая логика. Текстолит обработан хорошо: во всех точках пайки не только острые концы срезаны, но и все неплохо отшлифовано. На задней стороне установлена пластина из алюминия с наноуглеродным покрытием. Она помогает отводить тепло от задней стороны PCB через термоинтерфейс и обеспечивает жесткость материнской платы.

Технические характеристики

 

Традиционная таблица с перечнем функциональных особенностей.

Поддерживаемые процессоры Intel Core 12/13/14-го поколений
Процессорный разъем LGA 1700
Чипсет Intel Z790
Память 4 × DDR5, до 8000 МГц (XMP), до 192 ГБ, два канала
Аудиоподсистема 1 × Realtek ALC4082 (7.1) + ЦАП ESS ES9218
Сетевые контроллеры 1 ×Realtek RTL8126 Ethernet 5,0 Гбит/с
1 × Intel Dual Band Wireless BE200NGW (Wi-Fi 802.11a/b/g/n/ac/ax/be (2,4/5/6 ГГц) + Bluetooth 5.4)
Thunderbolt 1 × Intel JHL8540 Thunderbolt 4: 2 × Type-C (TB4 (40 Gb/s), USB 3.2 (20,10 Gb/s))
Слоты расширения 2 × PCIe 5.0 x16 (режимы x16, x8+x8)
1 × PCIe 4.0 x4 (режим x4)
Разъемы для накопителей 4 × SATA 6 Гбит/с (Z790)
1 × M.2 (CPU, PCIe 5.0 x4 для устройств формата 2242/2260/2280/22110)*
1 × M.2 (CPU, PCIe 4.0 x4 для устройств формата 2242/2260/2280)
1 × M.2 (Z790, PCIe 4.0 x4 для устройств формата 2242/2260/2280)
2 × M.2 (Z790, PCIe 4.0 x4 для устройств формата 2280)
USB-порты 4 × USB 2.0: 2 внутренних разъема на 4 порта (AU6260)
4 × USB 3.2 Gen1: 2 внутренних разъема на 5 порта (ASM1074)
4 × USB 3.2 Gen1: 4 порта Type-A (ASM1074)
1 × USB 3.2 Gen2x2: 1 внутренний разъем Type-C (Z790)
1 × USB 3.2 Gen2: 1 порт Type-C (Z790)
2 × USB 3.2 Gen2: 2 порта Type-C (Thunderbolt4)
5 × USB 3.2 Gen2: 5 портов Type-A (красные) (Z790+AU6260)
Разъемы на задней панели 3 × USB 3.2 Gen2 (Type-C)
5 × USB 3.2 Gen2 (Type-A)
4 × USB 3.2 Gen1 (Type-A)
1 × RJ-45
5 аудиоразъемов типа миниджек
1 × S/PDIF (оптический, выход)
1 × HDMI 2.1
2 антенных разъема
кнопка сброса CMOS
кнопка перепрошивки BIOS — Flashback
Прочие внутренние элементы 24-контактный разъем питания ATX
2 8-контактных разъема питания EPS12V
1 8-контактный разъем питания PCIe
1 слот M.2 (E-key), занят адаптером беспроводных сетей
1 разъем для подключения порта USB 3.2 Gen2x2 Type-C
2 разъема для подключения 4 портов USB 3.2 Gen1
2 разъема для подключения 4 портов USB 2.0
8 разъемов для подключения 4-контактных вентиляторов и помп ЖСО
1 разъем для подключения неадресуемой RGB-ленты
3 разъема для подключения адресуемой ARGB-ленты
1 разъем аудио для передней панели корпуса
1 кнопка OC Retry
1 переключатель версии PCIe
1 разъем для термодатчикa
3 разъема подключения фирменных помп СВО Asus
1 разъем для подключения управления с передней панели корпуса
1 кнопка включения питания Power
1 кнопка перезагрузки Reset
Форм-фактор ATX (305×244 мм)
Розничная стоимость 100 тысяч рублей на момент публикации обзора

* слот M.2_1 делит ресурсы со слотами PCIe x16, детали ниже

 

Основная функциональность: чипсет, процессор, память

 
 
 
 

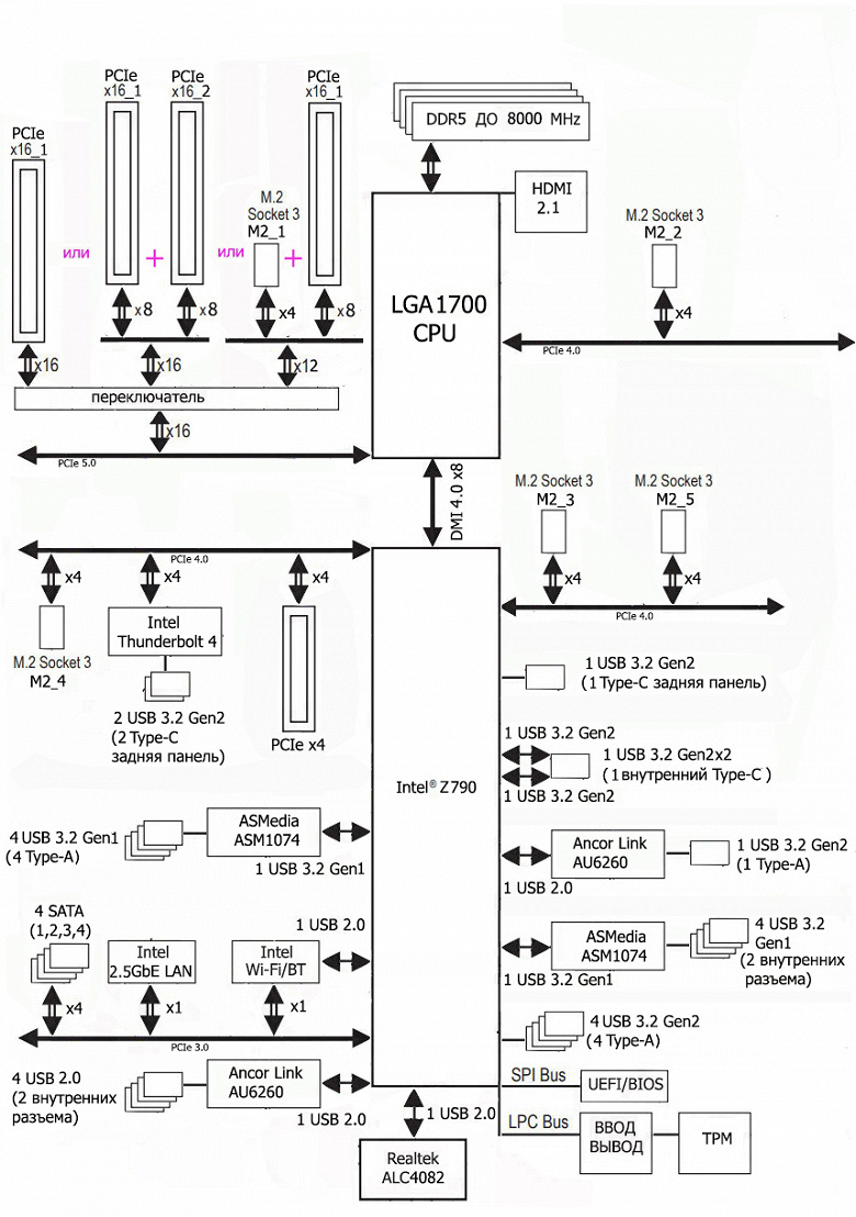
Схема работы связки чипсет+процессор.

 

Формально имеется поддержка памяти DDR5 до 5600 МГц, однако всем хорошо известно, и производители материнских плат это активно рекламируют: через XMP-профили сейчас можно использовать частоты до 7000 и выше МГц. В частности данная плата поддерживает частоты до 8000 МГц.

Процессоры Intel Core 14/13/12-го поколений (совместимые с сокетом LGA1700 и поддерживаемые Z790) имеют 20 линий ввода-вывода (16 PCIe 5.0, 4 PCIe 4.0), не имеют USB и SATA портов. При этом взаимодействие с Z790 идет по особому каналу Digital Media Interface 4.0 (DMI 4.0 x8). Все PCIe линии процессора идут на слоты расширения PCIe и порт М.2. Serial Peripheral Interface (SPI) используется для взаимодействия с системой UEFI/BIOS, а шина Low Pin Count (LPC) — для связи с устройствами ввода/вывода, не требующими высокой пропускной способности (контроллерами вентиляторов, TPM, старой периферии).

В свою очередь чипсет Z790 поддерживает в сумме 38 линий ввода/вывода, которые распределяться могут так:

  • до 14 портов USB (из которых до 5 портов USB 3.2 Gen2х2, 10 портов USB 3.2 Gen2, до 10 портов USB 3.2 Gen1, до 14 портов USB 2.0, линии USB 2.0 используются в том числе и для поддержки 3.2 портов, а каждый порт USB 3.2 Gen2х2 требует поддержки со стороны двух USB 3.2 Gen2);
  • до 8 портов SATA 6Гбит/с;
  • до 28 линий PCIe (8 версии 3.0 и 20 версии 4.0).
 

Еще раз надо напомнить, что Asus ROG Maximus Z790 Formula поддерживает процессоры Intel Core 12/13/14-го поколений, выполненные под разъем (сокет) LGA1700.

 

Для установки модулей памяти на плате Asus имеется четыре DIMM-слота (для работы памяти в Dual Channel в случае использования всего 2 модулей их следует устанавливать в А2 и B2.

 

Плата поддерживает небуферизованную память DDR5 (non-EСС), а максимальный объем памяти составляет 192 ГБ.

 

Слоты DIMM имеют металлические вставки в местах замков модулей памяти.

Периферийная функциональность: PCIe, SATA, разные «фенечки»

 

Выше мы изучили потенциальные возможности тандема Z790+Core, а теперь посмотрим, что из этого и как реализовано в данной материнской плате.

 

Кроме USB-портов, к которым мы подойдем позже, чипсет Z790 обладает 28 PCIe линиями. Считаем, сколько линий уходит на поддержку (связь) с тем или иным элементом (надо учитывать, что 28 линий не единой версии, а 20 линий PCIe 4.0 и 8 линий PCIe 3.0):

  • Слот PCIe x4 (4 линии PCIe 4.0);
  • порты SATA_1/2/3/4 (4 линии PCIe 3.0);
  • Слот M.2_3 (4 линии PCIe 4.0);
  • Слот M.2_4 (4 линии PCIe 4.0);
  • Слот M.2_5 (4 линии PCIe 4.0);
  • Intel Thunderbolt 4 (4 линии PCIe 4.0);
  • Intel i225-V (Ethernet 2,5Gb/s) (1 линия PCIe 3.0);
  • Intel BE200NGW WIFI/BT (Wireless) (1 линия PCIe 3.0)

26 линий PCIe оказались занятыми (20 PCIe 4.0 + 6 PCIe 3.0). В чипсете Z790 связь с аудиокодеками новее, чем Realtek ALC1220, идет через USB-порт. Также по одной линии USB 2.0 расходуется на поддержку BT (при наличии слота M.2 (key E), на контроллер подсветки Aura, а также оба контроллера AU6260 для своих нужд используют сигнальные линии USB 2.0 Детально об этом ниже в разделе USB-портов.

Теперь посмотрим выше на то, как работают процессоры в данной конфигурации. У CPU 14/13/12-го поколений всего 20 линий PCIe, 4 из них версии PCIe 4.0 отведены на слот М.2 (M2_2). Оставшиеся 16 линий PCIe 5.0 надо делить на два слота PCIe x16 (_1 и _2) и слот M.2_1. Вариантов переключения несколько:

  • Слот PCIe x16_1 имеет 16 линий, слоты PCIe x16_2 и M.2_1 отключены;
  • Слот PCIe x16_1 имеет 8 линий, слот PCIe x16_2 имеет 8 линий, слот M.2_1 отключен;
  • Слот PCIe x16_1 имеет 8 линий, слот PCIe x16_2 отключен, слот M.2_1 имеет 4 линии

Надо особо отметить, что в случае установки видеокарты в PCIe x16_2 при пустом PCIe x16_1, оба они все равно получают по 8 линий.

Теперь в целом про слоты PCIe.

 

Всего на плате есть 3 слота: два PCIe x16 (для видеокарт или других устройств) и один PCIe x4. Если про первые два PCIe x16 я выше уже рассказал (они подключены к CPU), то PCIe x4 подключен к Z790.

Как видим, перераспределение линий PCIe 5.0 между слотами у этой материнки имеется, поэтому востребованы мультиплексоры Lerain.

 

Два первых («процессорных») слота PCIe x16 имеют металлическое армирование из нержавеющей стали, которое увеличивает их надежность (что может быть важным в случае довольно частой смены видеокарт, но что более важно: такой слот легче выдержит нагрузку на изгиб в случае установки очень тяжелой видеокарты топового уровня. Кроме того, такая защита предохраняет слоты от электромагнитных помех.

 

Мы снова видим своего рода удобный рычаг для открытия защелки на первом PCIe x16_1 слоте.

 
 
 
 

Матплата позволяет смонтировать СО любого размера.

Для поддержания стабильных частот на шине PCIe (и для нужд оверклокеров) имеется внешний тактовый генератор.

 

А также имеются усилители (ре-драйверы) сигнала PCIe 4.0 от Genesys Logic.

 

На очереди — накопители.

 

Всего у платы 4 разъема Serial ATA 6 Гбит/с + 5 слотов для накопителей в форм-факторе M.2. Все 4 порта SATA 1,2,3,4 реализованы через чипсет Z790 и поддерживают создание RAID.

 

Для нужд SATA имеются усилители (ре-драйверы) сигнала PCIe 3.0 от Genesys Logic.

 

Материнская плата имеет 5 гнезд форм-фактора М.2.

 

Третий, четвертый и пятый слоты M.2 (M.2_3, M.2_4, M.2_5) получают данные от чипсета Z790, а первые два — от CPU, при этом M.2_1 соединен линиями PCIe 5.0, а M.2_2 – PCIe 4.0.

 

Выше я уже показал, что слот M.2_1 делит ресурсы с двумя PCIe-слотами, ведь у процессора всего 16 линий PCIe 5.0.  А вот M.2_2 получает привычные и неделимые ни с чем 4 линии PCIe 4.0.

Все пять слотов М.2 работают с модулями только с PCIe интерфейсом.

Слоты М.2_2 и М.2_3 поддерживают размеры модулей: 2242/2260/2280, а М2_1 позволяет установить модули размерами до 22110 включительно. На всех M.2 можно организовать RAID. Следует особо отметить способ крепления накопителей М.2 в слотах: через установленные на стойках поворотные замки, что позволяет обойтись без тех самых очень маленьких винтиков, которые легко потерять.

Все M.2 слоты имеют радиаторы. Верхний M.2_1 обладает отдельным радиатором, когда как остальные слоты M.2 имеют общий радиатор.

 

 

 Другие особенности («фенечки») на плате

Периферийная функциональность: USB-порты, сетевые интерфейсы, ввод-вывод

Теперь на очереди USB-порты и прочие вводы-выводы. И начнем с задней панели, куда выведены большинство из них.

 

Повторим: чипсет Z790 способен реализовать не более 14 портов USB, из которых может быть до 10 портов USB 3.2 Gen1, до 10 портов USB 3.2 Gen2, до 5 портов USB 3.2 Gen2x2, и/или до 14 портов USB 2.0.

Также мы помним и про 28 линий PCIe, которые идут на поддержку накопителей, сетевых и иных контроллеров (я выше уже показал на что и как расходуются 26 линий из 28).

И что мы имеем? Всего на материнской плате — 21 порт USB:

  • 1 порт USB 3.2 Gen2x2: реализован с помощью Z790 и представлен внутренним портом Type-C
     
    (для подключения к соответствующему разъему на передней панели корпуса, с помощью дополнительного питания (8-контактный порт PCIe) реализует быструю зарядку мобильных устройств (до 60 Вт);
  • 8 портов USB 3.2 Gen2: 5 реализованы через Z790 и представлены: 4 - на задней панели портами Type-A (красного цвета); 1 — на задней панели портом Type-C; еще 2 реализованы через Thunderbolt 4 и также представлены на задней панели портами Type-C; и 1 реализован через контроллер Ancor Link AU6260
     
    (на него потрачена 1 линия USB 2.0 от Z790) и представлен портом Type-A (красного цвета);
  • 8 портов USB 3.2 Gen1: 4 реализованы через контроллер ASMedia ASM1074
     
    (на него потрачена 1 линия USB 3.2 Gen1 от Z790) и представлены 2 внутренними разъемами
     
    на материнской плате (каждый на 2 порта); еще 4 реализованы через второй контроллер ASMedia ASM1074
     
    (на него потрачена 1 линия USB 3.2 Gen1 от Z790) и представлены на задней панели портами Type-A (синего цвета);
  • 4 порта USB 2.0/1.1: все реализованы через второй контроллер Ancor Link AU6260
     
    (на него потрачена 1 линия USB 2.0 от Z790) и представлены двумя внутренними разъемами
     
    (каждый на 2 порта).

Таким образом, у нас 5 контроллеров используют USB линии от Z790:

  • Ancor Link AU6260 (4 USB 2.0 через 2 внутренних разъема) (1 линия USB 2.0);
  • Ancor Link AU6260 (1 USB 3.2 Gen2 через Type-A на задней панели) (1 линия USB 2.0);
  • Audio (1 линия USB 2.0);
  • Aura (подсветка) (1 линия USB 2.0);
  • Bluetooth (BE200) (1 линия USB 2.0).

Итак, через чипсет Z790 реализовано высокоскоростных портов USB:

  • 1 выделенный USB 3.2 Gen2x2 (не в счет, ибо получен засчет других HSIO);
  • + 7 выделенных USB 3.2 Gen2
  • + 2 выделенных USB 3.2 Gen1

9 высокоскоростных портов. Не забываем, что каждый высокоскоростной порт USB обеспечен портом USB 2.0, то есть уже 9 портов USB 2.0 также занято. Плюс 5 портов USB 2.0 на обеспечение контроллеров. Всего 14 USB портов реализовано.

Ну и 26 линий PCIe, выделенных на поддержку иной периферии.

Итого у Z790 в данном случае реализовано 35 высокоскоростных портов из 38.

Все быстрые USB порты Type-C оснащены ре-драйверами, дающими устойчивый вольтаж.

 
 

А внутренний порт Type-C (USB 3.2 Gen2x2) через контроллер от ITE и с помощью дополнительного питания (8-контактный порт PCIe) реализует быструю зарядку мобильных устройств (до 60 Вт).

 

Конечно же нельзя пройти мимо такого мощного инструмента, как Intel Thunderbolt 4. Плата комплектуется соответствующим контроллером на основе Intel JHL8540, который распаян на материнской плате.

 

И имеет 2 гнезда Type-C для вывода как через протокол TB, так и для использования в качестве USB 3.2 Gen2/1, для чего имеется специальный контроллер от Texas Instruments для преобразования сигнала.

 

Теперь о сетевых делах.

 

Материнская плата оснащена средствами связи хорошо. Имеется скоростной Ethernet-контроллер Realtek RTL8126, способный работать по стандарту 5,0 Гбит/с.

 

Имеется и самый современный комплексный беспроводной адаптер на контроллере Intel BE200NGW, через который реализованы Wi-Fi 7 (802.11a/b/g/n/ac/ax/be) и Bluetooth 5.4. Он установлен в слот M.2 (E-key), и его разъемы для подключения выносных антенн выведены на заднюю панель.

 
 

Заглушка, традиционно надеваемая на заднюю панель, в данном случае уже надета, и изнутри экранирована для снижения электромагнитных помех.

 

 

 Блок ввода-вывода, вентиляторы и т. п.

Аудиоподсистема

Мы знаем, что ранее самым популярным в большинстве современных материнских платах звуковым кодеком был Realtek ALC1220, обеспечивающий вывод звука по схемам до 7.1 с разрешением до 24 бит / 192 кГц . Ныне на матплатах топового уровня встречается уже ALC4082 того же производителя с улучшенными характеристиками 32 бит / 384 кГц.

 

В тракте используются ЦАП ESS Sabre9218 и осциллятор, обеспечивающий точную работу ЦАП.

 

Операционного усилителя нет.

В аудиоцепях платы применяются «аудиофильские» конденсаторы Nichicon Fine Gold.

 

Аудиотракт вынесен на угловую часть платы, не пересекается с другими элементами. Все аудиоразъемы на задней панели имеют позолоченное покрытие, а также привычную цветовую окраску.

 

 Результаты тестирования звукового тракта в RMAA

Питание, охлаждение

Для питания платы на ней предусмотрены 4 разъема: в дополнение к 24-контактному ATX (он на правой стороне платы (на фото — слева) здесь есть еще два 8-контактных EPS12V и один 8-контактный PCIe (для поддержки питания USB 3.2 Gen2x2 порта, через который могут заряжаться мобильные устройства в режиме быстрой зарядки до 60 Вт).

 

Схема питания процессора выполнена по схеме 18+2+1 (всего 21 фаза, 18 на VCore, 2 на VCCIO и 1 на интегрированное графическое ядро).

 

Каждый канал фазы имеет суперферритовый дроссель и RAA22010540 MOSFET от Renesas на 105 А.

 

Управляет схемой ШИМ-контроллер RAA229131 от Renesas, рассчитанный максимум на 24 фаз.

 

Практически на всех материнских платах среднего и топового уровней можно найти фирменный цифровой контроллер TPU, который как раз и занимается умными сборками фаз питания для ШИМ-контроллера (им можно управлять через программу AI Suite). В частности и тут имеем такой:

 

Блок VCCSA имеет свою отдельную двухфазную схему питания, управляемую ШИМ-контроллером MP2940C от Monolithic Power Systems.

 
 
 

Теперь про охлаждение.

Данная матплата уникальна тем, что кроме обычных и всем привычных радиаторов охлаждения для элементов VRM имеется водоблок Asus HybridChill. Он сочетает обычное пассивное и жидкостное охлаждение области VRM для высокоэффективной работы последней в случае экстремального оверклокинга.

 

В принципе, если нет нужны в особо экстремальном разгоне, когда от блока VRM требуется особая отдача, и возможен излишний нагрев силовых мосфетов, то матплату можно эксплуатировать и без кастомной СВО, ибо остальные греющиеся элементы имеют свои радиаторы. Как показала практика, даже с обычным разгоном и без использования кастомной СВО силовые элементы VRM не нагреваются выше 55-60 градусов.

 

Охлаждение чипсета (один радиатор) организовано отдельно от силовых преобразователей.

 

VRM-секция имеет свои два радиатора, соединенные тепловой трубкой под прямым углом в единый водоблок Asus HybridChill.

 

Радиатор, идущий вдоль заднего блока портов, имеет кожух, оснащенный подсветкой.

 

Как я уже упоминал ранее, M.2 слоты также имеют радиаторы: у верхнего — свой персональный радиатор, у нижних — общий. Три M.2 слота кроме верхних радиаторов еще имеют тонкие радиаторы и термопрокладки для охлаждения оборотных сторон модулей.

Материнская плата имеет бэкплейт, защитную пластину на оборотной стороне, которая также принимает участие в охлаждении в районе VRM через термопрокладки.

 

 

Работоспособность (и разгон)

 

 Конфигурация тестовой системы

Запускаем все в режиме по умолчанию (но при этом активизируем MCE). Затем нагружаем тестами.

 

Уже весьма стандартно для топовых матплата мы получили 5,7 ГГц по всем P-ядрам, и 4,4 ГГц по всем Е-ядрам при автоматическом разгоне.  Напомню, что Р-ядра — это обычные всем привычные ядра, имеющие по 2 потока каждый, «Р» — означает Performance, то есть производительные. «Е» — это энергоэффективные ядра, так называемые, малые ядра, у них по 1 потоку.  Все параметры системы по нагреву компонентов были в норме.

Как обычно, я воспользовался заложенной в BIOS опцией по умной оптимизации работы процессора и памяти, то есть включил AI Optimized (точно такого же можно достичь через программу AI Suite, не заходя в настройки BIOS).

 

Без нагрузки частоты работы P-ядер менялись и достигали 6 ГГц и выше.

 

Однако при стрессовой нагрузке все вернулось в те рамки, что были ранее без AI (малопонятно, зачем тогда этот режим вообще). Далее экспериментировать я уже не стал, ибо автоматический разгон уже очень хорош. Для подбора параметров максимального оверклокинга с перебором массы настроек в BIOS потребуется колоссально много времени, и это потянет уже на отдельный материал.

И не стоит забывать, что вышеприведенное тестирование происходило в условиях очень тяжелой стрессовой нагрузки на процессор! Даже самые тяжелые приложения не могут загрузить все ядра на 100% в длительном режиме. Так что, в целом, система питания у данной матплаты отличная, а процессор неплохо поднимает частоты работы при автооверклокинге.

Выводы

Материнская плата Asus ROG Maximus Z790 Formula — представитель топовой серии ROG, почти самая старшая в ней модель для платформы Intel LGA1700 с примерной стоимостью в районе 100 тысяч рублей. Данная серия, наряду с Hero (Dark Hero), поддерживающая 12/13/14-е поколение процессоров Intel Core, относится к весьма навороченным и дорогим продуктам, созданным для хардкорных геймеров и энтузиастов-оверклокеров.

 

У Asus ROG Maximus Z790 Formula имеется 21 порт USB разных видов, включая 8 очень быстрых USB 3.2 Gen2, из которых два поддерживают Thunderbolt 4, а также один USB 3.2 Gen2×2 в виде внутреннего Type-C. Плата предлагает 3 слота PCIe х16, два из которых получают от процессора 16 линий PCIe, причем версии 5.0, а третий работает в режиме х4. Также у платы аж 5 слотов M.2: два подключены напрямую к процессору (один — линиями PCIe 5.0, второй — PCIe 4.0), три других подключены к чипсету Z790 линиями PCIe 4.0. Надо заметить, что слот М.2, подключенный к процессору линиями PCIe 5.0 и готовый к установке самых современных SSD, делит ресурсы со слотами PCIe x16, переводя один в режим х8 и отключая второй. В арсенале платы также есть 4 порта SATA и 8 разъемов для вентиляторов. Сетевые возможности включают проводной контроллер 2,5 Гбит/с и беспроводной Wi-Fi 7/Bluetooth 5.4 (это еще одно важное отличие от Asus ROG Maximus Z790 Hero). Поддержка Thunderbolt 4 позволяет передавать данные на скорости 40 Гбит/с. В числе плюсов платы можно упомянуть неплохую подсветку, включая широкие возможности для подключения дополнительных RGB-устройств. Отметим и улучшенный аудиокодек Realtek ALC4082.

Система питания процессора очень мощная, она способна обеспечить работу любых совместимых процессоров с приличным запасом на разгон. Плата имеет грамотную систему охлаждения каждого потенциально греющегося элемента, включая накопители в слотах M.2 (термопрокладки для охлаждения накопителей в трех слотах есть с обеих сторон). Более того, фирменной «изюминкой» серии Formula является наличие водоблока для области преобразователей питания VRM, при этом данная СО является универсальной, сочетающей возможности как пассивного, так и жидкостного охлаждения.

В сочетании с таким набором охладителей Asus ROG Maximus Z790 Formula предлагает широкие возможности для любителей разгона (не забываем про ряд аппаратных «фишек», а также множество настроек в BIOS Setup и фирменных утилитах).

Ну и, конечно же, дизайн самой платы: белый цвет всех набортных «щитов», OLED-экран над слотом для видеокарты — всё это делает данную модель желанной для очень мощного игрового ПК с прозрачными стенками в белых тонах.

Стоит упомянуть и бонус поставки: USB-флешку, брелок, наклейки, крепеж для вентилятора.

 

Источник IXBT



Новости Все новости

AMD официально не представляла процессор Ryzen 5 7500X3D. Упоминания чипа даже нет на официальном сайте компании. Тем не менее американский Microcenter стал первым ретейлером, который предлагает указанный процессор в составе готового игрового ПК PowerSpec G527. Также в ассортименте магазина есть аналогичная модель ПК G525, основанная на Ryzen 5 7600X3D.

 Источник изображений: VideoCardz / Microcenter

Компания AMD в направленном в Комиссию по ценным бумагам и биржам (SEC) США финансовом квартальном отчёте обратила внимание на факт партнёрства двух своих крупнейших конкурентов — Intel и Nvidia. В сентябре эти компании объявили о совместном проекте, в рамках которого на свет появятся «несколько поколений» продуктов для ПК и центров обработки данных. AMD предупредила о его возможных последствиях для себя.

 Источник изображения: Rubaitul Azad / unsplash.com