Топ-менеджер японской компании Kioxia, которая является одним из крупнейших в мире производителей памяти NAND, заявил, что эпоха недорогих твердотельных накопителей ушла в прошлое. Компания уже распродала всю память, которую выпустит до 2027 года.


|
« Назад 18.03.2023 13:25
В данном разделе мы изучаем как устроена та или иная материнская плата, на что способна ее система питания, с каким комплектом физических «штучек», а также программных средств она попадает к потребителю. Исследование процессоров — в своем разделе, и в частности, имеется материал по AMD Ryzen 9 7950X. Напомню, что такая фигурная крышка у новой серии процессоров AMD — требования инженеров, желавших оставить ряд электрических компонентов SMD за пределами крышки, чтобы не подвергать их высоким температурам. А разместить их внизу чипа уже не получится из-за LGA-формата. Все это вынуждает нас более тщательно подходить к процессу накладывания термопасты на такой CPU. Сегодня мы впервые рассмотрим материнскую плату на базе среднебюджетного чипсета AMD B650E, который от своего топового собрата X670E отличается тем, что... физически чип – один. Поясню: чипсеты X670/X670E представляют собой набор из двух физических чипов (названных AMD как «восходящий» и «нисходящий»). Так вот, реально каждый из этих чипов представляет собой B650/650E. То есть, X670 = 2x B650. При этом все же при работе в виде «тандема» из двух B650 в лице X670, мы получаем не полностью удвоенные параметры B650: например, у B650 – 8 линий PCIe 4.0, но у X670 их не 16, а 12. Также и портов USB 3.2 Gen2 у B650 – до 6, однако у X670 – не до 12, а всего лишь до 8. С чем связаны такие урезания – непонятно, возможно, что какие-то маркетинговые ухищрения. Чипсеты B650 и B650E, как и X670 и X670E отличаются между собой поддержкой версии PCIe 4.0 для слота PCIe x16 в случае без «Е» и версии PCIe 5.0 для того же слота в случае с «Е». Таблица основных отличий чипсетов B650 и X670.
Теперь возвращаемся к самой матплате. Мы знаем, что у Gigabyte кроме собственного бренда есть суббренд Aorus, в который компания относит все самые навороченные и флагманские продукты. Вот наша сегодняшняя плата (несмотря на то, что базируется на среднебюджетном чипсете) относится к этой серии — Gigabyte B650E Aorus Master, базируемая на AMD B650E. Поехали.
Gigabyte B650E Aorus Master поставляется в традиционной для Aorus коробке из жесткого картона с фирменным орлиным дизайном серии. Комплект размещен под платой в отдельных отсеках. Комплект поставки в целом неплох: кроме традиционных элементов типа руководства пользователя и кабелей SATA, имеются антенна встроенного Wi-Fi/BT-модуля, удлинитель и адаптер для подключения подсветок, фирменный G-connector для передней панели), два термодатчика, датчик шума, бонусные наклейки.
ПО не поставляется, впрочем за время путешествия платы к покупателю оно все равно успевает устареть, так что придется его обновлять с сайта производителя сразу после покупки. «Заглушка» на заднюю панель с разъемами уже смонтирована на самой плате. Форм-фактор
Форм-фактор ATX имеет размеры до 305×244 мм, а E-ATX — до 305×330 мм. Материнская плата Gigabyte B650E Aorus Master имеет размеры 305×244 мм, поэтому выполнена в форм-факторе ATX, и на ней имеются 9 монтажных отверстий для установки в корпус. Однако следует иметь в виду, что одно из девяти монтажных отверстий перекрыто радиатором для слота M.2 (M2A_CPU).
На оборотной стороне почти ничего нет. Текстолит обработан хорошо: во всех точках пайки не только острые концы срезаны, но и все неплохо отшлифовано. На задней стороне установлена пластина из алюминия с наноуглеродным покрытием. Она пластина помогает отводить тепло от задней стороны PCB через термоинтерфейс и обеспечивает жесткость материнской платы. Технические характеристики
Традиционная таблица с перечнем функциональных особенностей.
Основная функциональность: чипсет, процессор, память
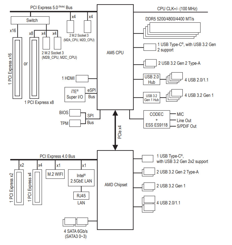
Схема работы связки чипсет+процессор.
Процессоры Ryzen 7000 поддерживают:
В свою очередь чипсет B650/B650E поддерживает до:
Таким образом в сумме от тандема B650/B650E+Ryzen 7000 мы получаем:
Итого: до 18 портов USB, 20 свободных PCI-E линий (включая до 4 портов SATA).
Еще раз напомню, что чипсеты AMD B650 и B650E полностью равнозначны по функциональности (набору портов и линий), но слот PCIe x16 (для видеокарт), получаемый данные от процессора в случае B650E получает версию PCIe 5.0, а в случае B650 — 4.0. Отсутствие версии 5.0 у слота для видеокарт помогает снизить стоимость материнских плат в случае с B650, ибо разработчики смогут экономить на усилителях (редрайверах) сигнала PCIe 5.0, которые пока весьма недешевы, а также матплаты с «не-Е» чипсетом не имеют крайне жестких требований к разводке печатной платы, чтобы избежать искажений сигналов. Новое поколение Ryzen 7xxx поддерживает как традиционные уже модули памяти DDR5 c Intel XMP (Extreme Memory Profile) (которые через Direct Over Clock Profile (DOCP) подгоняются под характеристики, заложенные в XMP), так и модули с проприетарным от AMD профилем Expo.
Детально об этом всем имеется в материале по самому процессору Ryzen 9 7950X и архитектуре Zen4, здесь лишь я замечу, что пока у нас в лаборатории таких модулей памяти нет (использовали память на 6000 МГц по XMP с CL32). Gigabyte B650E Aorus Master поддерживает процессоры AMD поколения 7000, выполненные под разъем (сокет) AM5.
Для установки модулей памяти на плате имеется четыре DIMM-слота (для работы памяти в Dual Channel в случае использования всего 2 модулей их следует устанавливать в А2 и B2). Плата поддерживает небуферизованную память DDR5, а максимальный объем памяти составляет 128 ГБ. Поддерживаются профили XMP и Expo.
Слоты DIMM имеют металлическую окантовку, которая препятствует деформации слотов и печатной платы при установке модулей памяти и защищает от электромагнитных помех. С той же целью проводники к ОЗУ тщательно экранированы.
Периферийная функциональность: PCIe, SATA, разные «прибамбасы»
Выше мы изучили потенциальные возможности тандема B650E+Ryzen, а теперь посмотрим, что из этого и как реализовано в данной материнской плате.
Итак, кроме USB-портов, к которым мы подойдем позже, чипсет B650E обладает 12 PCIe линиями. Считаем, сколько линий уходит на поддержку (связь) с тем или иным элементом:
12 линий PCIe (8 версии 4.0 и 4 версии 3.0) оказались занятыми, включая 4 порта SATA. Теперь посмотрим выше на то, как работают процессоры в данной конфигурации. У всех Ryzen 7xxx — 24 линии PCIe (плюс 4 линии на даунлинк с чипсетом). Смотрим распределение:
В процессорах Ryzen встроен контроллер High Definition Audio (HDA), связь с аудиокодеком идет путем эмуляции PCI шины. А также контроллер USB 2.0 Genesys Logic GL850G использует линию USB 2.0 от CPU, а Realtek RTS5411 использует 1 линию USB 3.2 Gen1 от B650E (детали ниже в разделе USB портов). Выше приведена полная схема распределения ресурсов по слотам PCIe. Всего на плате есть 3 слота PCIe: один PCIe x16 PCIe 5.0, получающий данные от процессора, и два «длинных» слота, получающие данные от B650E, но работающие по схеме x4 и x2. «Процессорный» слот PCIe x16 имеет металлическое армирование из нержавеющей стали, которое увеличивает надежность (что может быть важным в случае довольно частой смены видеокарт, но что более важно: такой слот легче выдержит нагрузку на изгиб в случае установки очень тяжелой видеокарты топового уровня. Кроме того, такая защита предохраняет слоты от электромагнитных помех.
Для удобного извлечения видеокарт из слота имеется специальный длинный боковой «рычаг» — EZ-фиксатор, что позволяет легко достать до замка слота.
Матплата позволяет смонтировать СО любого размера. Поскольку имеются переключения работы слота PCIe x16_1 и портов М.2, то востребованы мультиплексоры от Lerain, специально предназначенные для работы с шиной PCIe 5.0.
Для поддержания стабильных частот на шине PCIe 5.0 (и для нужд оверклокеров) имеется внешний тактовый генератор RC21008 от Renesas.
На очереди — накопители.
Всего у платы 4 разъема Serial ATA 6 Гбит/с + 4 слота для накопителей в форм-факторе M.2. Все порты SATA реализованы через чипсет B650E и поддерживают создание RAID.
Материнская плата имеет 4 гнезда форм-фактора М.2.
Все 4 слота поддерживают размеры модулей 2260/2280, также M2A_CPU поддерживает размер модулей 25110, а остальные 3 слота – 22110. Все слоты работают с модулями только с PCIe интерфейсом и получают данные от CPU.
Все M.2 слоты имеют радиаторы. Верхний M2A_CPU обладает отдельным радиатором, когда как остальные M.2 имеют общий радиатор. Надо еще раз отметить, что все М.2 слоты получают данные от CPU, при этом M2C_CPU и M2B_CPU делят ресурсы со слотом PCIe x16_1, о чем выше я уже говорил, там же можно видеть картинку распределения ресурсов.
Другие устройства и «фенечки» на плате Периферийная функциональность: USB-порты, сетевые интерфейсы, ввод-выводНа очереди USB-порты. И начнем с задней панели, куда выведены большинство из них.
Повторим: чипсет B650E способен реализовать максимально: 6 портов USB 3.2 Gen2/1, 1 USB 3.2 Gen2x2, 6 портов USB 2.0. Процессор Ryzen 7000 способен реализовать до 4 портов USB 3.2 Gen2 и 1 USB 2.0. Также мы помним и про 12 линий PCIe от чипсета, которые идут на поддержку накопителей, сетевых и иных контроллеров (я выше уже показал на что и как расходуются все 12 линий). И что мы имеем? Всего на материнской плате — 20 портов USB:
Итак, через чипсет B650E реализовано 1 USB 3.2 Gen2x2, 2 USB 3.2 Gen2, 2 USB 3.2 Gen1 и 5 USB 2.0 портов (помним, что беспроводной контроллер требует одну линию USB 2.0). Плюс 12 линий PCIe, выделенные на поддержку иной периферии. Итого, у B650E в данном случае реализовано 17 высокоскоростных портов. Все быстрые USB порты Type-A/Type-C имеют свои усилители сигнала PI3EQX1004 от Diodes Inc.(ex Pericom).
А для нужд быстрой зарядки порт Type-C на задней панели и аналогичный внутренний порт для вывода на переднюю панель имеют редрайверы от Realtek.
Теперь о сетевых делах.
Материнская плата оснащена средствами связи хорошо. Имеется скоростной Ethernet-контроллер: Intel i225-V, способный выдавать до 2,5 Гбит/с.
Имеется и комплексный беспроводной адаптер на контроллере MediaTek MT7922A22M (AMD RZ616), через который реализованы Wi-Fi 6E (802.11a/b/g/n/ac/ax) и Bluetooth 5.2. Он установлен в слот M.2 (E-key), и его разъемы для привинчивания выносных антенн выведены на заднюю панель.
Заглушка, традиционно надеваемая на заднюю панель, в данном случае уже надета, и изнутри экранирована для снижения электромагнитных помех.
Блок ввода-вывода, вентиляторы и т. п. АудиоподсистемаМы знаем, что уже достаточно давно в большинстве современных материнских платах звуком заведовал аудиокодек Realtek ALC1220. Он обеспечивает вывод звука по схемам до 7.1 с разрешением до 24 бит / 192 кГц.
Имеется ЦАП ESS ES9118.
В аудиоцепях платы применяются «аудиофильские» конденсаторы.
Аудиотракт вынесен на угловую часть платы, не пересекается с другими элементами. У карты два универсальных разъема с позолоченным покрытием по приему и выводу сигналов плюс оптический S/PDIF. Вывод по схеме 7.1 возможен только через S/PDIF (аналоговая схема упрощена до стерео).
Результаты тестирования звукового тракта в RMAA Питание, охлаждениеДля питания платы на ней предусмотрены 3 разъема: в дополнение к 24-контактному ATX здесь есть еще два ATX12V (8 контактов). Все разъемы имеют стальное армирование.
Для материнки на среднебюджетном чипсете система питания очень внушительная.
Внешне схема питания выглядит как 16+2+2: 16 фаз — ядро процессора, 2 фазы — SoC (I/O-чиплет Ryzen), 2 фазы — VDD_MISC (вывод встроенной графики).
Управляет фазами VCore и SoC цифровой контроллер RAA229620 от Renesas.
Фазы питания VDD_MISC — под управлением ШИМ-контроллера RAA229621.
Каждая фаза VCore имеет по транзисторной сборке RAA22010540 от Renesas (до 105А).
Остальные схемы питания снабжены сборками ISL99390 также от Renesas (до 90А).
Теперь про охлаждение. Все потенциально сильно греющиеся элементы имеют свои собственные радиаторы. Чипсет B650E имеет весьма широкий радиатор, он прекрасно справляется с охлаждением без вентилятора.
Остальной набор охлаждающих элементов весьма обычен и привычен.
Две группы силовых преобразователей имеют свои раздельные радиаторы, соединенные тепловой трубкой.
У всех модулей M.2, как я уже выше отмечал, есть свои радиаторы с термоинтерфейсом. У верхнего — свой отдельный радиатор, у трех остальных — общий. Следует особо отметить, что все 4 слота M.2 оснащены термопрокладками с обеих сторон. То есть под слотами также есть плоские тонкие радиаторы.
Материнская плата имеет бэкплейт с оборотной стороны, который не только защищает PCB от повреждений, но является вспомогательным охладителем VRM.
В целом надо сказать, что система питания имеет достаточно эффективную СО. ПодсветкаТоповые платы Gigabyte, как правило, имеют красивую подсветку. В данном случае эффекты подсветки создаются на экране на кожухе заднего блока портов. Так же мы помним про 5 разъемов для подключения внешней подсветки, и всем этим можно управлять через программу Gigabyte Control Center.
Кому не нравится подсветка — всегда ееу можно выключить через ПО. Управление идет с помощью уже встроенной в Gigabyte Control Center утилиты RGB Fusion.
Программное обеспечение под WindowsВсе программное обеспечение можно скачать с сайта производителя Gigabyte.com. Управление производится с помощью универсальной программы Gigabyte Control Center, которая вобрала в себя все ранее раздельно выпускаемые в этой компании утилиты.
Можно настраивать работу платы не только частотам или вольтажам, но и регулировать работу вентиляторов. Настройки BIOSВсе современные платы сейчас имеют UEFI (Unified Extensible Firmware Interface), которые, по сути, являются операционными системами в миниатюре. Для входа в настройки при загрузке ПК традиционно надо нажать клавишу Del или F2.
Попадаем в общее «простое» меню, где по сути одна информация, так что нажимаем F2 и попадаем уже в «продвинутое» меню.
Управление периферией, можно управлять каждым портом USB, менять режимы работы слотов PCIe и M.2 (мы помним, что PCIe x16_1 делит ресурсы с двумя слотами М.2).
Мониторинг и опции загрузочного меню — всем хорошо известны. Там же есть утилита Smart Fan 6 по настройке работы гнезд для вентиляторов.
Для разгона есть по сути уже стандартные опции в рамках того, что поддерживают процессоры Ryzen и оперативная память.
Опций много, как и положено в линейке Aorus, правда для современных топовых процессоров наверно львиная доля — бесполезна, ибо процессор сам по себе уже работает на сильно повышенных частотах. Да и как-то тот факт, что чипсет-то не топовый, наводит на мысль о том, что плата – не оверкловерская, Работоспособность (и разгон)Полная конфигурация тестовой системы:
Программное обеспечение:
Запускаем все в режиме по умолчанию. Затем нагружаем тестами от OCCT.
Хорошо известно, что современные технологии авторазгона от Intel (Turbo Boost) и AMD (Precision Boost) базируют свои лимиты подъема частот на информации о системе питания на той или иной матплате (сами понимаете, все контроллеры цифровые, в UEFI вся информация имеется). Также следует отметить, что данная плата от Gigabyte (как и другие, ранее проверенные уже нами) способна четко реализовать контроль за частотой IF (Infinity Fabric) (разумеется, если она выставлена в режиме Auto) и выставляет множитель для частоты памяти автоматически. В данном случае авторазгон сработал отлично (до 5,4 ГГц по всем ядрам — это прекрасный уровень для матплаты не только на среднебюджетном чипсете, но и для топовых решений тоже). При этом стоит отметить, что во всех этих испытаниях мы не получили никаких нареканий на работу сопутствующих блоков, никаких перегревов или странных явлений не было.
ВыводыМатеринская плата Gigabyte B650E Aorus Master — флагманский продукт компании на чипсете AMD B650E, представитель серии Aorus для процессорного разъема AM5 со стоимостью в районе 35-40 тысяч рублей. Плата поддерживает процессоры AMD Ryzen 7000 и создана для геймеров и просто энтузиастов. Следует отметить, что близкую стоимость на момент подготовки обзора имели очень неплохие платы на чипсете AMD X670E (а не на B650E), предлагающие более широкую поддержку периферии. У Gigabyte B650E Aorus Master имеется 20 портов USB разных видов, включая 1 самый быстрый USB 3.2 Gen2×2. Слот PCIe х16 получает от процессора 16 линий PCIe 5.0, все 4 слота M.2 тоже подключены напрямую к процессору линиями PCIe 5.0, однако вследствие этого только 2 слота М.2 можно использовать без уменьшения количества линий у основного слота PCIe x16. У платы есть еще 2 слота PCIe x16, которые работают в режимах х4 и х2. В арсенале этой модели также есть 4 порта SATA и 10 разъемов для вентиляторов. Несмотря на формальную принадлежность к среднебюджетному ценовому сегменту (если смотреть на чипсет), система питания процессора такая же мощная, как у более старших решений на базе X670. Плата имеет систему охлаждения для каждого потенциально греющегося элемента, включая накопители в слотах M.2 (термопрокладки для охлаждения накопителей есть с обеих сторон). Сетевые возможности хорошие: один проводной контроллер 2,5 Гбит/с и один самый современный беспроводной. В числе плюсов платы можно упомянуть подсветку на кожухе задних портов, а также широкие возможности для подключения дополнительных RGB-устройств.
Разумеется, Gigabyte B650E Aorus Master предлагает неплохие возможности для любителей разгона в виде множества настроек в BIOS Setup.
Источник IXBT |
Топ-менеджер японской компании Kioxia, которая является одним из крупнейших в мире производителей памяти NAND, заявил, что эпоха недорогих твердотельных накопителей ушла в прошлое. Компания уже распродала всю память, которую выпустит до 2027 года.

Компания AMD определилась с датой начала продаж новейшего игрового процессора Ryzen 7 9850X3D. На полках магазинов чип станет доступен с 29 января. Днём ранее появятся первые независимые обзоры процессора, сообщает VideoCardz.
